Стандарт распространяется на полимерные композиты (ПК), армированные углеродными, борными, органическими и другими волокнами, и устанавливает метод определения прочностных характеристик образцов ПК с ударным повреждением при испытании на сжатие при монотонном статическом нагружении образцов до образования макротрещины в зоне повреждения.
- Главная
- О нас
- Справочная информация
- ГОСТ 33495-2015 КОМПОЗИТЫ ПОЛИМЕРНЫЕ
ГОСТ 33495-2015 КОМПОЗИТЫ ПОЛИМЕРНЫЕ
ГОСТ 33495-2015
МЕЖГОСУДАРСТВЕННЫЙ СТАНДАРТ
КОМПОЗИТЫ ПОЛИМЕРНЫЕ
Метод испытания на сжатие после удара
Polymer composites. Test method for compression after impact
МКС 83.120
Дата введения 2017-01-01
Предисловие
Цели, основные принципы и порядок проведения работ по межгосударственной стандартизации установлены ГОСТ 1.0-92 «Межгосударственная система стандартизации. Основные положения» и ГОСТ 1.2-2009 «Межгосударственная система стандартизации. Стандарты межгосударственные, правила и рекомендации по межгосударственной стандартизации. Правила разработки, принятия, применения, обновления и отмены»
Сведения о стандарте
1. РАЗРАБОТАН Объединением юридических лиц «Союз производителей композитов» совместно с Федеральным государственным унитарным предприятием «Всероссийский научно-исследовательский институт авиационных материалов» (ФГУП «ВИАМ»)
2. ВНЕСЕН Техническим комитетом по стандартизации ТК 497 «Композиты, конструкции и изделия из них»
3. ПРИНЯТ Межгосударственным советом по стандартизации, метрологии и сертификации (протокол от 29 сентября 2015 г. N 80-П)
За принятие проголосовали:
| Краткое наименование страны по МК (ИСО 3166) 004-97 | Код страны по МК (ИСО 3166) 004-97 | Сокращенное наименование национального органа по стандартизации |
| Армения | AM | Минэкономики Республики Армения |
| Беларусь | BY | Госстандарт Республики Беларусь |
| Киргизия | KG | Кыргызстандарт |
| Казахстан | KZ | Госстандарт Республики Казахстан |
| Россия | RU | Росстандарт |
| Таджикистан | TJ | Таджикстандарт |
| Украина | UA | Минэкономразвития Украины |
4. Приказом Федерального агентства по техническому регулированию и метрологии от 6 ноября 2015 г. N 1713-ст межгосударственный стандарт ГОСТ 33495-2015 введен в действие в качестве национального стандарта Российской Федерации с 1 января 2017 г.
5. Настоящий стандарт соответствует стандарту ASTM D7137/D7137M-12* Standard Test Method for Compressive Residual Strength Properties of Damaged Polymer Matrix Composite Plates (Стандартный метод испытаний для определения остаточной прочности на сжатие поврежденных пластин композитных материалов с полимерной матрицей, армированных волокном).
6. ВВЕДЕН ВПЕРВЫЕ
Информация об изменениях к настоящему стандарту публикуется в ежегодном информационном указателе «Национальные стандарты», а текст изменений и поправок — в ежемесячном информационном указателе «Национальные стандарты». В случае пересмотра (замены) или отмены настоящего стандарта соответствующее уведомление будет опубликовано в ежемесячном информационном указателе «Национальные стандарты». Соответствующая информация, уведомление и тексты размещаются также в информационной системе общего пользования — на официальном сайте Федерального агентства по техническому регулированию и метрологии в сети Интернет.
1. Область применения
Настоящий стандарт распространяется на полимерные композиты (ПК), армированные углеродными, борными, органическими и другими волокнами, и устанавливает метод определения прочностных характеристик образцов ПК с ударным повреждением при испытании на сжатие при монотонном статическом нагружении образцов до образования макротрещины в зоне повреждения.
2. Нормативные ссылки
В настоящем стандарте использованы нормативные ссылки на следующие межгосударственные стандарты:
- ГОСТ 166-89 (ИСО 3599-76) Штангенциркули. Технические условия
- ГОСТ 6402-70 Шайбы пружинные. Технические условия
- ГОСТ 6507-90 Микрометры. Технические условия
- ГОСТ 12423-2013 (ISO 291:2008) Пластмассы. Условия кондиционирования и испытания образцов (проб)
- ГОСТ 33496-2015 Композиты полимерные. Метод испытания на сопротивление повреждению при ударе падающим грузом
Примечание — При пользовании настоящим стандартом целесообразно проверить действие ссылочных стандартов в информационной системе общего пользования — на официальном сайте Федерального агентства по техническому регулированию и метрологии в сети Интернет или по ежегодному информационному указателю «Национальные стандарты», который опубликован по состоянию на 1 января текущего года, и по выпускам ежемесячного информационного указателя «Национальные стандарты» за текущий год. Если ссылочный стандарт заменен (изменен), то при пользовании настоящим стандартом следует руководствоваться заменяющим (измененным) стандартом. Если ссылочный стандарт отменен без замены, то положение, в котором дана ссылка на него, применяется в части, не затрагивающей эту ссылку.
3. Термины и определения
В настоящем стандарте применены следующие термины с соответствующими определениями:
3.1 ударное повреждение:: Вмятина (пробоина), образовавшаяся в результате удара падающим грузом, обнаруживаемая инструментальным и/или визуальным методами контроля.
3.2 диаграмма деформирования:: Графическая зависимость между напряжением (нагрузкой) и деформацией (или перемещением).
3.3 предел прочности (прочность) при сжатии после удара σвСПУ, МПа:: Напряжение, соответствующее наибольшей нагрузке РmaxСПУ предшествующей разрушению образца с ударным повреждением при сжатии.
3.4 модуль упругости при сжатии после удара EСПУ, ГПа:: Отношение напряжения к соответствующей относительной продольной деформации при сжатии образца с ударным повреждением в пределах начального линейного участка диаграммы деформирования.
4. Сущность метода
4.1 Сущность метода заключается в испытании на одноосное сжатие с постоянной скоростью деформации испытуемого образца с ударным повреждением. Испытуемый образец в виде пластины прямоугольного сечения до приложения сжимающей нагрузки подвергают удару при помощи устройства (копра) для испытаний падающим грузом с ударником полусферической формы согласно ГОСТ 33496.
4.2 Испытуемый образец с ударным повреждением устанавливают в приспособление для испытаний на сжатие после удара, которое помещают между захватами испытательной машины, и прикладывают сжимающую нагрузку.
4.3 Записывают диаграмму деформации «напряжение — продольная деформация».
4.4 Предел прочности материала при испытании на сжатие после удара определяют по максимальной нагрузке, выдерживаемой образцом перед разрушением. Модуль упругости при сжатии после удара определяют на начальном линейном участке диаграммы деформирования.
5. Оборудование для испытаний
5.1 Испытательная машина, обеспечивающая сжатие образца с заданной постоянной скоростью перемещения активного захвата (траверсы) и измерение нагрузки и перемещения траверсы с погрешностью не более ±1% от измеряемой величины.
5.2 Испытательная машина должна быть снабжена двумя плоскопараллельными площадками (плитами) толщиной не менее 20 мм и обеспечивать их сближение с заданной скоростью.
5.3 Одна из площадок испытательной машины должна иметь шаровую опору.
5.4 Для определения предела прочности при сжатии образцов с ударным повреждением испытания проводят в приспособлении для испытаний на сжатие после удара, обеспечивающем приложение нагрузки по торцевым поверхностям образца. Шероховатость площадок (по параметру Ra), передающих нагрузку на торцевые поверхности образца, должна быть не более 0,63 мкм. Приспособление для испытаний на сжатие после удара следует изготовлять из термически необработанной ферритной или термически упрочненной нержавеющей стали.
5.5 Конструкции рекомендуемых приспособлений для испытания испытуемых образцов на сжатие после удара приведены в приложениях А и Б. При использовании приспособления иной конструкции информацию об этом включают в протокол испытаний.
5.6 В качестве датчиков деформации следует использовать механические, оптические экстензометры, тензорезисторы или другие приборы, обеспечивающие измерение деформации с максимальной относительной погрешностью не более ±1% от измеряемой величины. Продольную деформацию на образце измеряют одновременно в четырех местах вблизи зоны ударного повреждения (в двух местах на противоположных сторонах образца). Установка датчика деформации на образец не должна приводить к повреждению образца.
5.7 Средства измерения ширины и толщины образца должны обеспечивать измерение с погрешностью не более ±1% от измеряемой величины. Для измерения толщины рекомендуется использовать микрометр с погрешностью не более ±0,002 мм по ГОСТ 6507, для измерения ширины и длины — штангенциркуль с погрешностью не более ±0,025 мм по ГОСТ 166.
5.8 При проведении испытаний, отличных от стандартной лабораторной атмосферы [температура — (23±2)°С и относительная влажность — (50±10)%], или невозможности кондиционирования материалов в лабораторных условиях необходимо использовать термокриокамеру, которая обеспечивает поддержание заданной температуры в пределах ±3°С и заданного уровня относительной влажности в пределах ±3%.
Допускается проведение испытаний без использования термокриокамеры при температуре (23±5)°С и относительной влажности не более 70%, если нет прямых указаний в нормативном документе или технической документации на материал образца.
6. Образцы
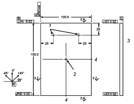
6.1 Для определения прочностных характеристик при сжатии с ударным повреждением применяют образцы, соответствующие требованиям ГОСТ 33496, в виде пластины прямоугольного сечения (см. рисунок 1) шириной (100,00±0,25) мм, длиной (150,00±0,25) мм и толщиной от 4 до 6 мм (рекомендуемая толщина — 5 мм) с укладкой:
- [45/0/-45/90]N — для однонаправленных материалов;
- [(45/-45)(0/90)]N — для текстильных тканей,
где N — целое число.
При использовании образцов с другой схемой укладки, другой толщины данные о последовательности слоев, их количестве и толщине образцов указывают в протоколе испытаний.

1 — датчик деформации (с обеих сторон); 2 — место нанесения ударного повреждения; 3 — боковая сторона; 4 — осевая линия
Примечания:
- все размеры указаны в миллиметрах;
- линейные допуски — ±0,25 мм;
- R — продольная ось образца.
Рисунок 1 — Образец ПК для определения прочностных характеристик при испытании на сжатие после удара
6.2 Количество образцов, необходимых для определения одной из прочностных характеристик в заданном направлении одной партии ПК при конкретном режиме испытаний на сжатие после удара, должно быть не менее пяти.
7. Подготовка к испытанию
7.1 Если в нормативном документе или технической документации на испытуемые материалы не указаны особые условия кондиционирования, то перед испытанием образцы кондиционируют при атмосферном давлении от 85 до 105 кПа в стандартной лабораторной атмосфере при температуре (23±2)°С и относительной влажности (50±10)% не менее 90 ч по ГОСТ 12423.
7.2 Перед испытанием образцы маркируют таким образом, чтобы метки не влияли на результаты испытаний и позволяли однозначно определить положение образца при испытании.
7.3 Измеряют длину и ширину образца в трех местах по краям и осевым линиям образца вблизи зоны ударного повреждения. Толщину образца измеряют в четырех местах вблизи зоны ударного повреждения (за толщину образца принимают среднее значение четырех измерений). Коэффициент вариации для значения толщины не должен превышать 2%.
7.4 По результатам измерений вычисляют среднеарифметические значения геометрических размеров образца, округляют до трех значащих цифр и заносят в протокол испытаний.
7.5 Проводят входной контроль образцов по геометрическим размерам и внешнему виду. В случае несоответствия образцов требованиям настоящего стандарта (раздел 6) составляют акт входного контроля образцов, в котором для каждого образца, не прошедшего контроль, указывают маркировку, максимальные и минимальные значения измерений длины, ширины и толщины образца, результаты визуального осмотра и пункт настоящего стандарта, которому не соответствует образец. Рекомендуемая форма акта приведена в приложении В.
7.6 Образцы, не прошедшие входной контроль, возвращают заказчику с копией акта входного контроля образцов. Испытание этих образцов возможно в случае письменного запроса со стороны заказчика, при этом в протоколе испытаний в примечании указывают, каким пунктам настоящего стандарта не соответствуют образцы.
8. Проведение испытаний
8.1 Испытания проводят в помещении при температуре и относительной влажности окружающего воздуха или другой среды, указанных в нормативном документе или технической документации на испытуемый материал. Если таких указаний нет, то испытания проводят при температуре окружающего воздуха (23±3)°С, относительной влажности воздуха (50±10)%.
8.2 При проведении испытаний в условиях повышенных или пониженных температур время, необходимое для полного прогрева или охлаждения образца до его испытания, устанавливают в соответствии с требованиями нормативного документа или технической документации на испытуемый материал. Если таких указаний нет, то время выдержки образца при заданной температуре устанавливают не менее 20 мин на 1 мм его толщины. Рекомендуется определять момент полного прогрева образца по всему объему по прекращению его термического расширения.
8.3 Образец устанавливают в приспособление для испытаний на сжатие после удара, после чего приспособление помещают в испытательную машину таким образом, чтобы продольная ось образца совпала с направлением действия нагрузки, а торцевые поверхности были параллельны опорным поверхностям.
8.4 Устанавливают экстензометры (тензорезисторы наклеивают на образец перед установкой приспособления с образцом в испытательную машину за 16-24 ч до испытаний; технология их приклеивания на образец, а также рекомендуемые клеи должны быть указаны в нормативном документе или технической документации на материал) симметрично с двух сторон образца в четырех местах вблизи зоны ударного повреждения (см. рисунок 1).
8.5 Для контроля температуры при испытаниях при повышенных и пониженных температурах на образце закрепляют зажимами две термопары вблизи зоны ударного повреждения на противоположных сторонах образца.
8.6 Устанавливают заданную скорость перемещения активного захвата машины в диапазоне от 0,50 до 1,25 мм/мин. Рекомендуется выбирать скорость таким образом, чтобы испытание длилось от 1 до 10 мин. При использовании иных скоростей испытания отметка об этом должна быть в протоколе.
8.7 При определении предела прочности при сжатии после удара образец равномерно нагружают с заданной скоростью перемещения активного захвата с записью диаграммы деформирования и регистрируют наибольшую нагрузку РmaxСПУ, которую выдержал образец ПК с ударным повреждением.
8.8 Для определения модуля упругости при испытании на сжатие после удара испытуемый образец нагружают равномерно с заданной постоянной скоростью перемещения активного захвата в пределах начального линейного участка диаграммы деформирования и записывают изменение продольной деформации образца ΔεСПУ от изменения нагрузки ΔРСПУ.
8.9 Модуль упругости при сжатии после удара рекомендуется определять в диапазоне, соответствующем продольной деформации от 0,1% до 0,3%. Данная область может быть изменена, но должна лежать в пределах начального линейного участка диаграммы деформирования.
9. Обработка результатов
9.1 При определении характеристик ПК при сжатии после удара для контроля устойчивости образца одновременно записывают диаграммы деформирования для обеих сторон образца. Различие наклонов записанных диаграмм выявляет изгиб образца. Результаты испытаний учитывают, если величина изгиба В составляет не более 10%. Если величина изгиба составляет более 10%, то информацию об этом включают в протокол испытаний. Величину изгиба, Вy, %, вычисляют при величине нагрузки по формуле (1)

где
- ε1 — деформация, зафиксированная с лицевой стороны образца;
- ε2 — деформация, зафиксированная с задней стороны образца.
9.2 По окончании испытаний оценивают тип, область и местоположение разрушения каждого образца, используя специальное идентификационное обозначение разрушения в соответствии с рисунком 2 и таблицей 1.
Идентификационное обозначение разрушения состоит из трех символов, обозначающих тип, область и местоположение разрушения, как показано на рисунке 2. Многотиповое разрушение обозначают индексом М с указанием в скобках выявленных типов разрушения.
Недопустимыми типами разрушения (см. таблицу 1) являются смятие в торцах, расслоение до момента разрушения и изгиб (потеря устойчивости). Расслоение до момента разрушения и изгиб (потерю устойчивости) выявляют при анализе диаграммы деформирования.

Рисунок 2 — Допустимые типы и области разрушения при сжатии после удара
Таблица 1 — Идентификация обозначений разрушения

9.3 Предел прочности при сжатии после удара σвСПУ, МПа, вычисляют по формуле (2)

где
- РmaxСПУ — наибольшая нагрузка, предшествующая разрушению образца, Н;
- b — ширина образца, мм;
- h — толщина образца, мм.
9.4 Деформацию при сжатии после удара εi, %, вычисляют по формуле (3)

где
- ε1i — деформация при сжатии после удара в i-й точке диаграммы деформирования по показаниям датчика 1;
- ε2i — деформация при сжатии после удара в i-й точке диаграммы деформирования по показаниям датчика 2.
9.5 Модуль упругости при сжатии после удара EСПУ, ГПа, определяют по формуле (4)

где
- ΔεСПУ — приращение продольной относительной деформации образца в диапазоне между двумя точками по п.8.9;
- ΔРСПУ — приращение нагрузки, Н, соответствующее приращению деформации .
9.6 Для значений σвСПУ и ЕСПУ каждой серии испытаний среднеарифметическое значение вычисляют по формуле (5)

где
- xi — экспериментальный результат испытания образца из серии при оценке данной характеристики;
- i — порядковый номер испытуемого образца;
- n — число образцов в серии.
Стандартное отклонение Sn-1 вычисляют по формуле (6)

Коэффициент вариации CV вычисляют по формуле (7)

9.7 Округление вычисленных результатов испытаний проводят в соответствии с таблицей 2.
Таблица 2 — Округление результатов испытаний

9.8 Результаты испытаний заносят в протокол испытаний, который должен содержать:
- наименование материала;
- наименование предприятия-изготовителя;
- метод изготовления;
- тип образцов, количество слоев, тип укладки слоев;
- количество образцов, их маркировку и геометрические размеры;
- способ кондиционирования и условия испытания в случаях, отличающихся от предусмотренных в настоящем стандарте;
- температуру и влажность испытательной среды;
- тип средств измерений и испытаний, заводской номер;
- способ измерений деформации и нагрузки (класс точности экстензометра, класс точности датчика силы);
- скорость испытания;
- значения определяемых показателей каждого образца;
- тип, область и местоположение разрушения каждого образца;
- дату проведения испытаний;
- ссылку на настоящий стандарт.
Дополнительно протокол может содержать:
- результаты статистической обработки определяемых показателей;
- диаграммы деформирования.
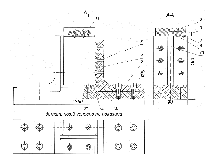
Приложение А
(рекомендуемое)
Конструкция приспособления для испытания образцов ПК на сжатие после удара

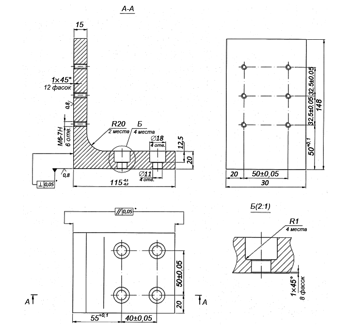
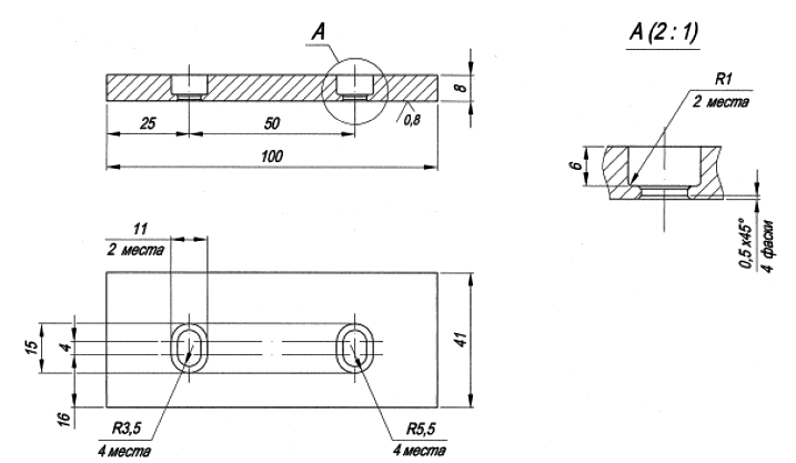
1 — опора; 2 — стойка (2 шт.); 3 — прижим; 4 — боковая губка (4 шт.); 5 — нижняя губка (2 шт.); 6 — зажим; 7 — пластинка; 8 — винт М6-8gх16.56.05 (20 шт.) по стандарту [1]; 9 — винт M6-8gx20.56.05 (2 шт.) по стандарту [1]; 10 — винт M10-8gx25.56.05 (8 шт.) по стандарту [1]; 11 — винт M4-8gx8.66.019 (2 шт.) по стандарту [1]; 12 — шайба 10.65Г.02 по ГОСТ 6402 (8 шт.); 13 — образец
Примечания:
- Моменты затяжек винтов: поз.10 — Мкр= 0,6-0,2 кгсм; поз.11 -Мкр= 2,50,2 кгсм.
- Регулировку ширины расхождения губок и зажима производить при помощи винтов поз. 10-16 шт. и винтов поз. 11 — 2 шт.
Диапазон расхождения губок — 0... 8 мм.
Рисунок А.1 — Приспособление для испытания образцов ПК на сжатие после удара

Примечания:
- Термообработать. HRC 37...43.
- *размеры и допуски формы и расположения поверхностей обеспечить инструментом.
Рисунок А.2 — Опора

Примечания:
- Термообработать. HRC 37...43.
- *размеры и допуски формы и расположения поверхностей обеспечить инструментом.
Рисунок А.З — Стойка

Примечания: Термообработать. HRC 37...43
Рисунок А.4 — Прижим

Примечание — Термообработать. HRC 37...43
Рисунок А.5 — Боковая губка

Примечание — Термообработать. HRC 37...43
Рисунок А.6 — Нижняя губка

Примечание — Термообработать. HRC 37...43
Рисунок А.7 — Зажим

Рисунок А.8 — Пластинка
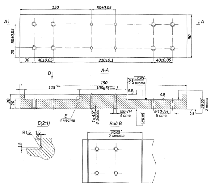
Приложение Б
(рекомендуемое)
Конструкция приспособления для испытания образцов на сжатие после удара по стандарту [2]

1 — прижим; 2 — испытательный образец; 3 — стойка
Рисунок Б.1 — Схематическое изображение приспособления для испытания образцов на сжатие после удара

1 — винты М10×1,25-6gx20 (12 шт.); 2 — губка боковая; 3 — винты М10×1,25-6gx25 (12 шт.); 4 — угловая стойка; 5 — губка нижняя; 6 — винты М10×1,25-6gx25 (4 шт.); 7 — пластинка; 8 — винты М10×1,25-6gx20 (4 шт.); 9 — губка верхняя; 10 — опора
Примечания:
- все размеры указаны в миллиметрах;
- размерные допуски: линейный — ±0,5 мм, угловой — ±0,5°.
Рисунок Б.2 — Приспособление для испытания образцов на сжатие после удара
Приложение В
(рекомендуемое)
Форма акта входного контроля образцов

Таблица испытаний (форма определяется стандартом на метод испытания)
Результаты испытаний на сжатие после удара

Библиография
| [1] ISO 4762:200 | Hexagon socket head cap screws (Винты с цилиндрической головкой и шестигранным углублением под ключ) |
| [2] ASTM D 7137/D 7137М-12 | Standard Test Method for Compressive Residual Strength Properties of Damaged Polymer Matrix Composite Plates (Стандартный метод испытаний по определению прочностных свойств пластин полимерных композиционных материалов при сжатии после удара) |


