ГОСТ 11262-2017 ПЛАСТМАССЫ

ГОСТ 11262-2017 ПЛАСТМАССЫ

Стандарт распространяется на пластмассы и устанавливает метод и условия определения свойств пластмасс при растяжении с учетом общих принципов, установленных в ГОСТ 34370.

ООО Интелтест
109316, Россия, г. Москва, Остаповский проезд, д. 3, стр. 24, офис 202
+7 (499) 753-32-26
18.03.2022
18312

 

ГОСТ 11262-2017

(ISO 527-2:2012)

МЕЖГОСУДАРСТВЕННЫЙ СТАНДАРТ

 

ПЛАСТМАССЫ

Метод испытания на растяжение

Plastics. Tensile test method

МКС 83.080.01

Дата введения 2018-10-01

Предисловие

Цели, основные принципы и основной порядок проведения работ по межгосударственной стандартизации установлены в ГОСТ 1.0-2015 «Межгосударственная система стандартизации. Основные положения» и ГОСТ 1.2-2015 «Межгосударственная система стандартизации. Стандарты межгосударственные, правила и рекомендации по межгосударственной стандартизации. Правила разработки, принятия, обновления и отмены»

Сведения о стандарте

1 ПОДГОТОВЛЕН Акционерным обществом «Институт пластмасс имени Г.С.Петрова» на основе официального перевода на русский язык англоязычной версии указанного в пункте 5 международного стандарта

2 ВНЕСЕН Федеральным агентством по техническому регулированию и метрологии

3 ПРИНЯТ Межгосударственным советом по стандартизации, метрологии и сертификации (протокол от 30 ноября 2017 г. N 52)

За принятие проголосовали:

страны

4 Приказом Федерального агентства по техническому регулированию и метрологии от 2 февраля 2018 г. N 45-ст межгосударственный стандарт ГОСТ 11262-2017 (ISO 527-2:2012) введен в действие в качестве национального стандарта Российской Федерации с 1 октября 2018 г.

5 Настоящий стандарт является модифицированным по отношению к международному стандарту ISO 527-2:2012* «Пластмассы. Определение механических свойств при растяжении. Часть 2. Условия испытания формовочных и экструзионных пластмасс» («Plastics — Determination of tensile properties — Part 2: Test conditions for moulding and extrusion plastics», MOD).

Дополнительные слова, фразы, ссылки, показатели и их значения, включенные в текст настоящего стандарта, выделены курсивом*.

Ссылки на международные стандарты, которые не приняты в качестве межгосударственных стандартов, заменены ссылками на соответствующие межгосударственные стандарты.

Исключение международных стандартов ISO 294-1, ISO 10724-1 и ISO 11403-3 обусловлено тем, что в Российской Федерации на национальном уровне нет аналогичных стандартов, а также в связи с тем, что они носят справочный характер.

Наименование настоящего стандарта изменено относительно наименования указанного международного стандарта для приведения в соответствие с ГОСТ 1.5 (подраздел 3.6).

Сопоставление структуры настоящего стандарта со структурой указанного международного стандарта приведено в дополнительном приложение ДА.

Сведения о соответствии ссылочных межгосударственных стандартов международным стандартам, использованным в качестве ссылочных в примененном международном стандарте, приведены в дополнительном приложении ДБ

6 ВЗАМЕН ГОСТ 11262-80

Информация об изменениях к настоящему стандарту публикуется в ежегодном информационном указателе «Национальные стандарты», а текст изменений и поправок — в ежемесячном информационном указателе «Национальные стандарты». В случае пересмотра (замены) или отмены настоящего стандарта соответствующее уведомление будет опубликовано в ежемесячном информационном указателе «Национальные стандарты». Соответствующая информация, уведомление и тексты размещаются также в информационной системе общего пользования — на официальном сайте Федерального агентства по техническому регулированию и метрологии в сети Интернет (www.gost.ru)

1 Область применения

1.1 Настоящий стандарт распространяется на пластмассы и устанавливает метод и условия определения свойств пластмасс при растяжении с учетом общих принципов, установленных в ГОСТ 34370.

1.2 Стандарт распространяется на следующие материалы:

  • жесткие и полужесткие термопластичные материалы для литья, экструзии и прессования, включая композиции, наполненные и армированные рублеными волокнами, матами, или гранулами, за исключением текстильных волокон (см. ГОСТ 32656);
  • жесткие и полужесткие термореактивные формовочные материалы, включая наполненные и армированные композиции, кроме композиций, армированных текстильными волокнами (см. ГОСТ 32656);
  • термотропные жидкокристаллические полимеры.

Стандарт не распространяется на жесткие и эластичные ячеистые пластмассы, для которых используют методы, установленные ГОСТ 17370 и ГОСТ 15873 соответственно, а также многослойные структуры, содержащие ячеистый материал.

Стандарт не распространяется на пленки толщиной менее 1 мм (см. ГОСТ 14236).

1.3 Настоящий стандарт предусматривает использование образцов, которые изготовлены методами формования в соответствии с заданными размерами, механической обработкой или вырезаны (вырублены) штампом из пластин, полученных литьем под давлением или прессованием, готовых изделий или полуфабрикатов. Рекомендуется использовать многоцелевые образцы для испытания по ГОСТ 33693.

2 Нормативные ссылки

В настоящем стандарте использованы нормативные ссылки на следующие межгосударственные стандарты:

ГОСТ 12015-66** Пластмассы. Изготовление образцов для испытания из реактопластов. Общие требования

ГОСТ 12019-66** Пластмассы. Изготовление образцов для испытания из термопластов. Общие требования

ГОСТ 12423-2013 (ISO 291:2008) Пластмассы. Условия кондиционирования и испытания образцов (проб)

ГОСТ 14236-81 Пленки полимерные. Метод испытания на растяжение

ГОСТ 14359-69 Пластмассы. Методы механических испытаний. Общие требования

ГОСТ 15873-70 Пластмассы ячеистые эластичные. Метод испытания на растяжение

ГОСТ 17370-71 Пластмассы ячеистые жесткие. Метод испытания на растяжение

ГОСТ 26277-84** Пластмассы. Общие требования к изготовлению образцов способом механической обработки

ГОСТ 32656-2014 (ISO 527-4:1997, ISO 527-5:2009) Композиты полимерные. Методы испытаний. Испытания на растяжение

ГОСТ 33693-2015** (ISO 20753:2008) Пластмассы. Образцы для испытания

ГОСТ 33694-2015 Пластмассы. Определение линейных размеров образцов для испытания

ГОСТ 34370-2017** (ISO 527-1:2012) Пластмассы. Определение механических свойств при растяжении. Часть 1. Общие принципы

Примечание — При пользовании настоящим стандартом целесообразно проверить действие ссылочных стандартов в информационной системе общего пользования — на официальном сайте Федерального агентства по техническому регулированию и метрологии в сети Интернет или по ежегодному информационному указателю «Национальные стандарты», который опубликован по состоянию на 1 января текущего года, и по выпускам ежемесячного информационного указателя «Национальные стандарты» за текущий год. Если ссылочный стандарт заменен (изменен), то при пользовании настоящим стандартом следует руководствоваться заменяющим (измененным) стандартом. Если ссылочный стандарт отменен без замены, то положение, в котором дана ссылка на него, применяется в части, не затрагивающей эту ссылку.

3 Термины и определения

В настоящем стандарте применены термины по ГОСТ 34370.

Примечание — Определения показателей, применяемых в настоящем стандарте, приведены в приложении A.

4 Общие положения

4.1 Сущность метода

Образец для испытания растягивают вдоль его главной продольной оси с постоянной скоростью, в процессе растяжения измеряют нагрузку, выдерживаемую образцом, и удлинение образца и определяют заданные показатели.

4.2 Общие требования к образцам для испытания

См. ГОСТ 34370, подраздел 4.2.

5 Аппаратура

5.1 Общие положения

Испытательная машина, которая при растяжении образца обеспечивает измерение нагрузки с погрешностью не более 1% измеряемой величины и постоянную скорость раздвижения зажимов в пределах, требуемых настоящим стандартом.

5.1.1 Скорость испытания

Испытания проводят при скоростях раздвижения зажимов испытательной машины, указанных в нормативном документе или технической документации на материал, выбранных в соответствии с таблицей 1, если нет других указаний.

Таблица 1 — Рекомендуемые скорости испытания (скорости раздвижения зажимов испытательной машины)

таблица 1

5.1.2 Зажимы

Зажимы для закрепления образца должны быть присоединены к испытательной машине так, чтобы продольная ось образца совпадала с направлением растяжения.

Образец закрепляют так, чтобы предотвратить его скольжение относительно губок зажимов. Зажимы не должны вызывать преждевременное разрушение образца в местах крепления или проскальзывание образца в зажимах.

При определении модуля упругости при растяжении важно, чтобы скорость деформирования была постоянной и не изменялась, например за счет движения губок зажимов. Это особенно важно при использовании клиновых зажимов.

Примечание — Дополнительная информация — по ГОСТ 34370, раздел 5.

5.2 Экстензометр

Прибор для измерения удлинения в процессе испытания должен иметь погрешность измерения не более 1%, если в нормативном документе или технической документации на материал нет других указаний.

Для измерения удлинения допускается использовать:

  • приборы, закрепляемые непосредственно на образце, при этом масса прибора и способ его крепления не должны оказывать существенного влияния на величины определяемых показателей и поведение образца при испытании;
  • приборы, не закрепляемые на образце и позволяющие производить измерение изменения расчетной длины образца, ограниченной метками, с помощью оптических или других систем измерения.

При удлинении свыше 25 мм допускается измерение удлинения по меткам с помощью масштабной линейки с ценой деления не более 1 мм.

В случае использования многоцелевого образца для испытания рекомендуемая расчетная длина — 75 мм. При контроле качества, а также, если это указано в нормативном документе или технической документации на материал, используют расчетную длину 50 мм. Если удлинение (относительное удлинение) регистрируется только с одной стороны образца, необходимо обеспечить, чтобы при небольших удлинениях не было ошибки из-за изгиба образца, который может произойти даже при незначительном несовпадении осей и первоначальном искривлении образца. В результате этого может возникнуть разность деформаций между противоположными сторонами образца.

Примечания

1 Увеличение расчетной длины приводит к повышению точности, особенно при определении модуля упругости. При использовании прибора, обеспечивающего погрешность измерения расчетной длины не более 1% в заданном интервале деформации, абсолютная погрешность составляет ±1,5 мкм при определении модуля упругости, в случае, когда расчетная длина равна 75 мм. Это менее жесткое условие, чем ± 1 мкм в случае, когда расчетная длина равна 50 мм.

2 Дополнительная информация — по ГОСТ 34370, раздел 5.

5.3 Регистрация данных

Регистрация данных — по ГОСТ 34370** (пункт 5.1.6.)

6 Образцы для испытания

6.1 Форма и размеры

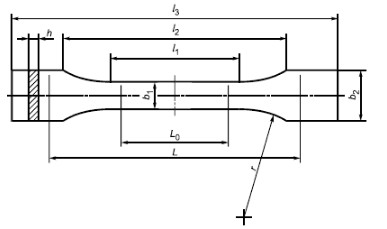
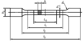
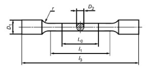
Рекомендуется использовать образцы для испытания типов 1A и 1B, допускается использование образцов типа 2, форма и размеры которых приведены на рисунке 1 и в таблице 2, допускается также использование образцов типов 1 и 3, см. рисунки 2 и 3 и таблицу 3.

Образец типа 1A изготавливают методом литья под давлением или методом прессования, образец типа 1B — механической обработкой.

Примечание — При толщине 4 мм образцы типов 1A и 1B идентичны многоцелевым образцам для испытания по ГОСТ 33693 типов 1A и A2 соответственно.

В случае отработки рецептуры или режимов переработки материала и при проведении научно-исследовательских работ допускается применять образцы для испытаний типов 4 и 5.

В случае, когда большое количество образцов следует выдержать в ограниченном пространстве, например при изучении воздействия окружающей среды (излучение, нагревание и/или химическое воздействие) применяют малые образцы типа C по ГОСТ 33693. При определении относительного изменения прочности целесообразно применять образцы типа CW по ГОСТ 33693. Допускается применять образцы, толщина которых соответствует толщине изделия и не соответствует указанной в ГОСТ 33693.

Характеристики и размеры малых образцов по ГОСТ 33693 и образцов типов 4 и 5 приведены в приложении B.

Примечание — В ГОСТ 33693 приведены также и другие типы малых образцов.

рисунок 1

Рисунок 1 — Образцы типов 1A, 1B и 2

рисунок 2

Рисунок 2 — Образец типа 1

рисунок 3

Рисунок 3 — Образец типа 3

Таблица 2 — Размеры образцов для испытания типов 1A, 1B и 2

В миллиметрах

таблица 2

Таблица 3 — Размеры образцов для испытания типов 1 и 3

В миллиметрах

таблица 3

6.2 Изготовление образцов

Образцы для испытания изготавливают прессованием или литьем под давлением из испытуемого материала с соблюдением общих требований ГОСТ 12015, ГОСТ 12019 или механической обработкой в соответствии с ГОСТ 26277 из листов или пластин, изготовленных прессованием, литьем под давлением или экструзией. Условия изготовления образцов — в соответствии с нормативным документом или технической документацией на материал, а в случае их отсутствия должны быть согласованы между заинтересованными сторонами.

Образцы для испытаний одной партии следует изготавливать при одинаковых условиях.

Образцы должны иметь гладкую ровную поверхность, без вздутий, сколов, трещин, раковин и других видимых дефектов. Если у отформованных образцов присутствует грат, его следует удалить, стараясь не повредить поверхность.

Из готовых изделий образцы для испытания следует вырезать из плоских участков или участков с минимальной кривизной. Образцы для испытаний из армированных пластмасс не рекомендуется подвергать механической обработке для уменьшения их толщины без крайней необходимости. Результаты испытаний образцов, поверхности которых подвергались механической обработке, несопоставимы с результатами испытаний образцов с необработанными поверхностями.

6.3 Контрольные метки

При необходимости перед испытанием на образцы наносят метки в соответствии с рисунками 1-3 и таблицами 2 и 3. Метки не должны ухудшать качество образцов или вызывать разрушение образцов в местах меток.

Примечание — Дополнительная информация — по ГОСТ 34370 (подраздел 6.3).

6.4 Контроль образцов для испытания

Образцы должны иметь гладкую ровную поверхность, без вздутий, сколов, трещин, раковин и других видимых дефектов.

Примечание — Дополнительная информация — по ГОСТ 34370 (подраздел 6.4).

6.5 Анизотропия

Листы, изготовленные методом формования и экструзии, а также готовые изделия обладают некоторой анизотропией вследствие ориентации при изготовлении. Анизотропию можно оценить путем изготовления двух групп образцов в параллельном и перпендикулярном направлении формования или экструзии. При отсутствии информации о таких направлениях образцы вырезают в направлениях, согласованных между заинтересованными сторонами.

6.6 Количество образцов

Для испытания изотропных материалов используют не менее пяти образцов, для испытания анизотропных материалов не менее пяти образцов, вырезанных в местах и направлениях, указанных в нормативном документе или технической документации на материал или согласованных между заинтересованными сторонами.

Примечание — Дополнительная информация — по ГОСТ 34370, раздел 7.

7 Кондиционирование

Допускается кондиционировать образцы не менее 16 ч по ГОСТ 12423 при температуре (23±2)°C и относительной влажности (50±5)%, если в нормативном документе или технической документации на материал нет других указаний.

Время от окончания изготовления формованных образцов до их испытания — не менее 16 ч, включая и время их кондиционирования.

При изготовлении образцов из полуфабрикатов или изделий время от окончания формования полуфабрикатов или изделий до начала испытаний образцов из них — не менее 16 ч, включая и время их кондиционирования, если в нормативном документе или технической документации на материал нет других указаний.

Примечание — Дополнительная информация — по ГОСТ 34370, раздел 8.

8 Проведение испытания

8.1 При определении модуля упругости при растяжении (см. ГОСТ 34370, подраздел 3,9) скорость испытания — 1 мм/мин для образцов типов 1A; 1B, 1, 2 и 3 (см. рисунки 1-3), что соответствует скорости деформирования около 1%·мин-1. Определение модуля упругости для малых образцов см.приложение B.

8.2 Перед испытанием измеряют толщину и ширину образцов в трех местах: в середине и на расстоянии около 5 мм от меток. Вычисляют среднеарифметические значения полученных результатов, используя которые вычисляют начальное поперечное сечение образца A0.

Образцы, у которых минимальное и максимальное значения толщины или ширины различаются более чем на 0,2 мм, не испытывают.

8.3 Образцы закрепляют в зажимы испытательной машины по меткам, определяющим положение кромок зажимов таким образом, чтобы продольные оси зажимов и ось образца совпадали между собой и направлениям движения подвижного зажима. Зажимы равномерно затягивают, чтобы исключалось скольжение образца в процессе испытания, но при этом не происходило его разрушение в месте закрепления.

8.4 Испытания проводят при скорости раздвижения зажимов испытательной машины, предусмотренной в нормативном документе или технической документации на материал, скорость должна соответствовать одной из указанных в таблице 1.

При этом выбирают такую максимальную скорость из приведенных в таблице 1, чтобы время от момента приложения нагрузки к образцу до его разрушения составляло не менее 1 мин при испытании материалов, имеющих предел текучести, и не менее 30 с для материалов, не имеющих предела текучести.

8.5 При испытании измеряют нагрузку и удлинение образца непрерывно или в момент достижения предела текучести, максимальной нагрузки, разрушения образца (см. рисунок 4).

рисунок 4

1 — материал имеет предел текучести; 2 — материал не имеет предела текучести; a — участки прямолинейного направления кривой в начале кривой «нагрузка-удлинение»; S — предел текучести; x — отрезок на оси удлинения для определения условного предела текучести; Sx — условный предел текучести

Рисунок 4 — Типичные кривые «нагрузка-удлинение»

Допускается определять удлинение образца по изменению расстояния между зажимами, см. приложение C, если это предусмотрено в нормативном документе или технической документации на материал.

8.6 Образцы, которые в процессе испытания разрушаются за пределами рабочей части (l1) или у которых в процессе испытания обнаружены дефекты (пузыри, инородные для включения, внутренние трещины и т.п.), в расчет не принимают.

Для образцов, удлиняющихся с образованием шейки, следует учитывать также результаты, полученные на образцах, у которых шейка распространилась за пределы рабочей части образца, но разрушение его произошло не в месте соприкосновения зажима с образцом.

Примечание — Дополнительная информация — по ГОСТ 34370, раздел 9.

9 Обработка результатов

9.1 Обработка результатов — по ГОСТ 34370** (раздел 10) или следующим образом:

— прочность при растяжении, σрм, МПа, вычисляют по формуле (1):

формула 1

— прочность при разрыве, σрр, МПа, вычисляют по формуле (2):

формула 2

— предел текучести при растяжении, σрт, МПа, вычисляют по формуле (3):

формула 3

— условный предел текучести при растяжении, σрту, МПа, вычисляют по формуле (4):

формула 4

где Fрм — максимальная растягивающая нагрузка, Н;

Fрр — растягивающая нагрузка, при которой образец разрушился, Н;

Fрт — растягивающая нагрузка при достижении предела текучести, Н;

Fрту — растягивающая нагрузка при достижении условного предела текучести, Н;

А0 — первоначальное поперечное сечение образца, мм2.

— относительное удлинение при максимальном напряжении (нагрузке), εрм, %, вычисляют по формуле (5):

формула 5

— относительное удлинение при разрыве, εрp, %, вычисляют по формуле (6):

формула 6

— относительное удлинение при пределе текучести, εрт, %, вычисляют по формуле (7):

формула 7

где ΔlOM — изменение расчетной длины образца в момент достижения максимальной растягивающей нагрузки, мм;

L0 — первоначальная расчетная длина образца, мм;

ΔlOP — изменение расчетной длины образца в момент разрыва, мм;

ΔlOT — изменение расчетной длины образца в момент достижения предела текучести, мм.

9.2 За результат определения прочности принимают среднеарифметическое значение не менее пяти определений, вычисленное до третьей значащей цифры.

За результат определения относительного удлинения принимают среднеарифметическое значение не менее пяти определений, округленное до двух значащих цифр.

Для каждого показателя вычисляют величину стандартного отклонения по ГОСТ 14359 с точностью, предусмотренной для вычисления среднеарифметического значения, если в нормативных документах или технической документации на материал нет других указаний.

10 Прецизионность

См. приложение D.

11 Протокол испытания

Протокол испытания должен содержать следующую информацию:

а) наименование материала, наименование предприятия-изготовителя и номер партии;

б) метод изготовления, основные размеры изделия и место вырезки образцов;

в) метод изготовления образцов;

г) условия кондиционирования;

д) тип использованных образцов с указанием ширины и толщины в пределах расчетной длины;

е) атмосферные условия в помещении испытания;

ж) количество испытуемых образцов;

з) тип испытательной машины и прибора измерения удлинения;

и) скорость испытания;

к) место и направление вырезки образцов из анизотропных пластмасс;

л) среднеарифметическое значение определяемых показателей;

м) стандартное отклонение;

н) дату испытания и обозначение настоящего стандарта.

Приложение A

(справочное)

Показатели и их определения

Таблица А.1

Таблица 1

таблица 1-2

таблица 1-3

Приложение Б

(справочное)

Малые образцы для испытания

B.1 Если по какой-либо причине невозможно использовать образец типа 1A или 1B, используют образцы типов 1BA, 1BB (см. рисунок B.1 и таблицу B.1), 5A или 5B (см. рисунок B.2 и таблицу B.2) или образцы, приведенные в ГОСТ 33693. Скорость испытания должна соответствовать таблице 1 настоящего стандарта, что обеспечивает скорость номинальной деформации малого образца, самую близкую по значению к скорости деформации полноразмерного образца. Скорость номинальной деформации — это частное от деления скорости испытания (см. ГОСТ 34370, подраздел 3.5) на первоначальное расстояние между зажимами. При измерении модуля упругости при растяжении скорость должна быть 1 мм/мин. На малых образцах вследствие малой расчетной длины и короткого времени испытания может быть технически трудно измерить модуль упругости. Результаты, полученные на малых образцах, несопоставимы с результатами, полученными на образцах типов 1A или 1B.

рисунок В1

Рисунок В.1 — Образцы для испытания типов 1BA и 1BB

Таблица B.1 — Размеры образцов типа 1BA и 1BB

В миллиметрах

таблица В1

рисунок В2

Рисунок B.2 — Образцы для испытания типов 5A и 5B

Таблица B.2 — Размеры образцов типов 5A и 5B

В миллиметрах

таблица В2

B.2 При отработке рецептуры материала, режимов его переработки и при проведении научно-исследовательских работ можно использовать образцы типов 4 и 5.

рисунок В3

Рисунок B.3 — Образец для испытания типа 4

рисунок 5

Рисунок B.4 — Образец для испытания типа 5

Таблица B.3 — Размеры образцов типов 4 и 5

В миллиметрах

таблица В3

Образцы типов 4 и 5 применяют для испытания термопластичных и термореактивных пластмасс.

Удлинение образцов типов 4 и 5 допускается дополнительно определять по изменению расстояния между зажимами при условии, что полученное относительное удлинение более 10%. Вычисление относительного удлинения, см. приложение C.

Приложение D

(справочное)

Установление прецизионности

D.1 Определения и информация

D.1.1 В таблицах D.1-D.4 приведены данные круговых испытаний от четырех до семи материалов при участии от трех до семи лабораторий. Результаты, приведенные в таблицах, составляют подгруппу межлабораторных испытаний, выполненных группой из семи лабораторий Германии, Австрии и Швейцарии, испытывавших 25 материалов. Образцы для испытаний были изготовлены и распределены одним производителем. Каждая лаборатория получила и сообщила пять индивидуальных результатов испытаний каждого материала. Полученные результаты были оценены в соответствии с [1].

Предупреждение — Ввиду ограниченного числа лабораторий и материалов пояснения к r и R (см. D.1.2.1-D.1.2.3) предназначены только для оценки приблизительной прецизионности данного метода испытаний. Данные таблиц D.1 и D.4 не следует использовать для приемки и отбраковки материалов, так как эти данные относятся к данному конкретному межлабораторному испытанию и могут оказаться недостоверными для других партий, условий, материалов или лабораторий.

D.1.2 Значения «r» и «R» представлены в таблицах D.1-D.4.

D.1.2.1 Повторяемость — Два результата испытаний, полученные в одной лаборатории, следует признать неравноценными, если они отличаются на величину, превышающую значение r для данного материала, r — это интервал, показывающий максимальное различие между двумя результатами, полученными на одном и том же материале одним и тем же оператором на одном и том же оборудовании в одной и той же лаборатории.

D.1.2.2 Воспроизводимость — Два результата испытаний, полученные в разных лабораториях, следует признать неравноценными, если они отличаются на величину, превышающую значение R для данного материала. R — это интервал, показывающий максимальное различие между двумя результатами, полученными на одном и том же материале разными операторами на разном оборудовании в разных лабораториях.

D.1.2.3 Показатели, приведенные в D.1.2.1 и D.1.2.2, определены с вероятностью 95% (0,95).

D.2 Показатели прецизионности

В следующих таблицах используются статистические параметры:

sr= внутрилабораторное стандартное отклонение,

sR= межлабораторное стандартное отклонение,

r=95%-ный предел повторяемости =,

R=95%-ный предел воспроизводимости =2,8sR,

nLab= число лабораторий, сообщивших результаты.

Таблица D.1 — Прецизионность, модуль упругости при растяжении, МПа

таблица Д1

Таблица D.2 — Прецизионность, предел текучести при растяжении, МПа

таблица Д2

Таблица D.3 — Прецизионность, относительное удлинение при пределе текучести, %

таблица Д3

Таблица D.4 — Прецизионность, относительное удлинение при разрыве, %

таблица Д4

Приложение ДА

(справочное)

Сопоставление структуры настоящего стандарта со структурой примененного в нем международного стандарта

Таблица ДА.1

таблица ДА1

Приложение ДБ

(справочное)

Сведения о соответствии ссылочных межгосударственных стандартов международным стандартам, использованным в качестве ссылочных в примененном международном стандарте

Таблица ДБ.1

таблица ДБ1

Библиография

ИСО 5725-2:1994 Точность (правильность и прецизионность) методов и результатов измерений. Часть 2. Основной метод определения повторяемости и воспроизводимости стандартного метода измерений
ISO 5725-2:1994 Accuracy (trueness and precision) of measurement methods and results. Part 2: Basic method for the determination of repeatability and reproducibility of a standard measurement method

Главная | Карта сайта | Обратная связь

© ООО «Интелтест» Все права защищены, 2022

109316, г. Москва, Остаповский проезд,
д. 5, стр. 4, оф. 232

8 (499) 753-32-26

8 (800) 550-26-28

info@inteltest.ru

info@inteltest.ru
8 (800) 550-26-28
Звоните бесплатно — наши специалисты
помогут Вам с подбором оборудования
Псков

Псков